在23年下半年的时候从一个二手频道收了一个碎屏的国产寨本,处理器是j4105,板载ddr4 8g内存,没有硬盘,卖家描述问题是不停重启。当时兜里有闲钱也没想好能干啥就捡回来了,卖家标价35元,加上运费30元拿下(这个卖家就搞的很,本来就是个电子垃圾还给我发顺丰笔记本专寄,不过考虑到这个价也不算亏还是接受了)

到祸之后拆机连接自己的屏幕一次点亮

并没有遇到一直重启的问题(后续发现是键盘问题,拆了就好了)主板不大,算是比较方正,唯二的两个问题就是没有主动散热和io太少

这个笔记本没有热管或是散热扇,只有一片铝板作为均热板;io部分有两个usb3.0 A(5gbps),一个miniHDMI,一个tf卡读卡器接口,一个3.5mm音频接口(外星科技)。内部io有一个2.5寸sata接口和一个m.2 b key(实测全都为sata2)以及一个空的emmc焊盘,算是寨本正常配置,不过最近看电信送的云电脑客户机板子布局和这个很像,感觉可能也是山寨产业快要走上正规军的路子了吧
捡的垃圾到了也测试完了没什么问题,就该想想能干啥了。但是想了半天也不知道干啥,因为目前开mc服用的机子已经被我装成pve搞成all in boom了,就干脆把这个小玩意做成软路由好了
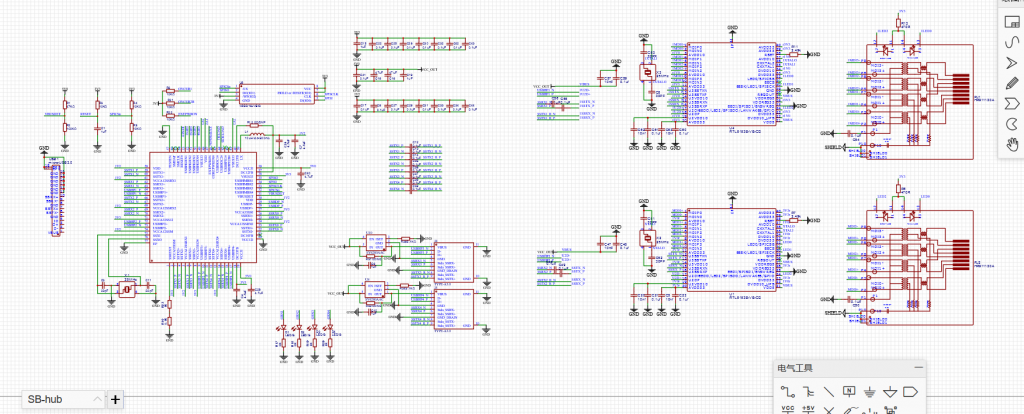
不过做软路由的话他这个没有网卡肯定是不行的,而且它的pcie是一条都没有引出来,只能从usb上下手。唯一比较欣慰的就是他的usb接口是可以跑满5gbps的速度的,理论上接四个千兆网卡是没有问题的。既然理论存在,那么实践开始,于是乎花了一下午拉了个集成双网卡的usb hub的原理图,随后又花了大半天时间把连连看拉完,整体逻辑很简单,一个vl813将一个usb3.0端口拓展成四路,其中两路各接一个rtl8153b,另外两路以A口引出,同时避免供电不足还加入了一个tps54620把12v转成5v给usb用

买料焊接,实际花费20元左右

测试也是正常的


加上软路由的完全体(很抽象)

折腾这么久那么好不好用呢?答案是能用,但是不怎么好用。实际测试时使用这个软路由开启插件进行去广告什么的都是可以正常使用的,网速也是正常的千兆速度,但是一旦设置成软路由拨号的时候问题就来了,速度会大打折扣,并且在使用一段时间后会出现断流情况(我猜是螃蟹的问题,后续还购买了散热片贴在了网卡上,断流问题改善但是网速还是老样子)下图为使用软路由拨号的500M联通宽带测速

目前只能丢在一边吃灰了,可能使用ax88179会性能更好,但是我嫌贵没有买来测试,我购买的全新rtl8153b(qfn40)价格为6元一片,而ax88179价格基本都在10元左右,而且剪板/拆机的货源也很少,不像螃蟹还能捡捡漏(但是螃蟹用的蛋疼也是真的
工程资料打包:https://f.bai.ink/index.php?share/folder&user=1&sid=WdPHTI83
pcb和原理图使用lceda绘制,问就是AD的登录链接被墙了然后我的教育版死活登不上去,绘制用的标准版,差分线也是随手画的,反正jblc也做不到一模一样,测试能用就行了。也不打算重制了,本来就是顿为了醋包的饺子,就这样吧

白熊阿丸
动手能力好强!